THEMO Pörssisähkö Ohjausrele
THEMO pörssisähkö ohjausrele älytermostaatista löytyy kaksi mallia – seinään asennettava Themo T700 älytermostaatti perinteisen huonetermostaatin tilalle, sekä ryhmäkeskukseen asennettava T700DIN ohjaamaan varaavia lämmityslaitteita kontaktori välireleen kautta.
THEMO T700DIN pörssisähkö ohjausrele liitetään kontaktori välireleen kautta yhteen tai useampaan lämmityslaitteeseen. Tyypillisiä käyttökohteita ovat:
- Lämminvesivaraajan pörssisähkö hintaohjaus kontaktorin välityksellä.
- Maalämpöpumpun pörssisähkö ohjaus Lämpötilan Pudotus tai Kompressorin Käynnin Esto -tilaan potentiaalivapaa NO+NC välireleen kautta.
- Öljylämmityskattilan lämmittäminen sähkövastuksilla pörssisähkön edullisten tuntien aikaan, eli uusiutuvan energian hyödyntäminen.
TIESITHÄN – Pörssisähkön edullisten tuntien aikaan tuulivoimalla tuotetun uusiutuvan energian osuus kulutetusta sähköstä on suuri. Lämmityskattilan sähkövastusten hyödyntäminen muuttaakin lämpöä varaavan vesikiertoisen öljylämmitysjärjestelmän vähäpäästöiseksi lämmitysjärjestelmäksi. Pörssisähkö ohjausrele investointi on pieni verrattuna koko lämmitysjärjestelmän uusimiseen. Ja mikäli epäilet talven paukkupakkasten johtavan sähköpulaan, ja nostavan pörssisähkön hinnan ennätyskorkealle, voit edelleen tarvittaessa käyttää öljylämmitystä. Tällä toimintamallilla myös turvaat tehon riittävyyttä Suomen sähköverkossa, jolloin tehopula tilanteessa ei jouduta turvautumaan kiertäviin sähkökatkoihin. Lue myös TM Rakennusmaailma lehdissä julkaistut artikkelit – Themo pörssisähkö ohjausreleen käyttöönotto 4/2023 ja Themo DIN kestotesti 7a/2024.
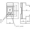
THEMO T700DIN tekniset tiedot
- Kaksi ohjaustilaa – Ryhmäkeskus käytössä suosittu PriceSwitch hintarele ohjaustila, sekä lattialämmitys releohjaus
- PriceSwitch -tilassa lämpöanturi on valinnainen, eikä sitä käytetä ohjaukseen
- Lattialämmitys -tilassa lämpöanturi on pakollinen. Maksimilämpötila lattialämmitykselle 30°C
- Releen kärkien max virta 16A / 3200W @ 230V. Liitäntäpuristimet 1,5 mm² tai 2,5 mm² kaapeleita tehotarpeen mukaan.
- Kontaktori välireleen avulla voidaan ohjata useita 3*25A kuormia. Kontaktorin ohjaukseen riittää pieni muutaman milli Ampeerin virta.
- Käyttöjännite: AC 220-240V 50Hz. Valmiustilan virrankulutus max 1,8W
- Langaton WiFi yhteys 802.11 b/g/n 2.4 GHz
- Hallinta Web-selaimella sekä ilmainen THEMO App sovelluskaupoissa – Apple Store ja Android Google Play
- Ohjelmistopäivitykset WiFi:n välityksellä
- Fyysinen ON/OFF -painike virtakytkimen ohjaukseen. Näppäin/lapsilukko
- Materiaali: ABS + PC muovi. IP-luokka IP21
- Kahden johdonsuoja automaattisulakkeen kokoinen. Mitat 36 x 86 x 58 mm, paino 150g
- Laitteen 1-vaihe sähkömittari näyttää lämmitysvastuksen tehonkulutuksen, mutta kontaktoria ohjattaessa laskelmissa käytetään 100W oletustehoa. Jos tiedät lämmitysjärjestelmän tosiasiallisen ottotehon, niin tieto siitä kannattaa lähettää sähköpostilla THEMOn asiakaspalveluun. He päivittävät tiedon, ja tämän jälkeen raporttien kWh ja euromäärät vastaavat paremmin todellisuutta.
- Sähkönumero 26 088 02
Tuetut NTC lämpöanturit lattian lämpötilan seurantaan
- NTC lämpöanturin vastus 6.8, 10, 12, 15, 33 tai 47 kOhm +25°C lämpötilassa
- HUOM! THEMO DIN ei käytä lämpöanturin mittaustietoa lämmityksen ohjaukseen Price Switch -tilassa, vaan ainoastaan lämpötilatiedon raportointiin. Älä kytke lämpöanturia DIN-mallin käyttöönoton yhteydessä, koska Lattialämmitys -tila käynnistyy silloin automaattisesti. Price Switch -tilaa käytettäessä lämpöanturi kannattaa kytkeä vasta myöhemmin.
Tutki alkuun löytyykö ryhmäkeskuksesta JATKUVA(Päivä) – 0 – YÖSÄHKÖ -kytkin. THEMOn avulla YÖSÄHKÖ -ohjaustila voidaan päivittää näppärästi toimimaan pörssisähkön hinta releen ohjaamana. Normaalisti sähkönsiirtoyhtiö ajastaa YÖSÄHKÖ -tilassa lämmityslaitteet toimimaan klo 22-06 välisenä aikana. Katso lisätietoja THEMO DIN tuotetiedot esitteestä sekä kytkentäohjeesta, ja kysy myös vinkkiä pörssisähkön ostoon OmaVahdin asiakaspalvelusta.
Lue myös TM Rakennusmaailma lehdissä julkaistut artikkelit – Themo pörssisähkö ohjausreleen käyttöönotto 4/2023 ja Themo DIN kestotesti 7a/2024.






















































Arviot
Tuotearvioita ei vielä ole.