Etäluettava 3-vaihe Sähkömittari WiFi
Shelly 3EM Energy Meter on etäluettava 3-vaihe sähkömittari WiFi verkkoon. Shelly Cloud sovellus ja nettipalvelu näyttävät liitetyn laitteen hetkellisen ottotehon [W] vaiheittain ja yhteensä, sekä kumulatiivisen sähkönkulutuksen [kWh] vuoden ajalta tunnin tarkkuudella.
Ryhmäkeskukseen asennettava 3EM sähkömittari liitetään suoraan WiFi verkkoon, joten et tarvitse erillistä älykotiohjainta. Palvelun käyttö on ilmaista netissä, samoin Apple iOS ja Google Android kännykkä ja tablet sovellukset.
Ominaisuudet
- Shelly 3EM on paksun DIN-johdonsuojan kokoinen ja liitetään WiFi -verkon kautta nettiin.
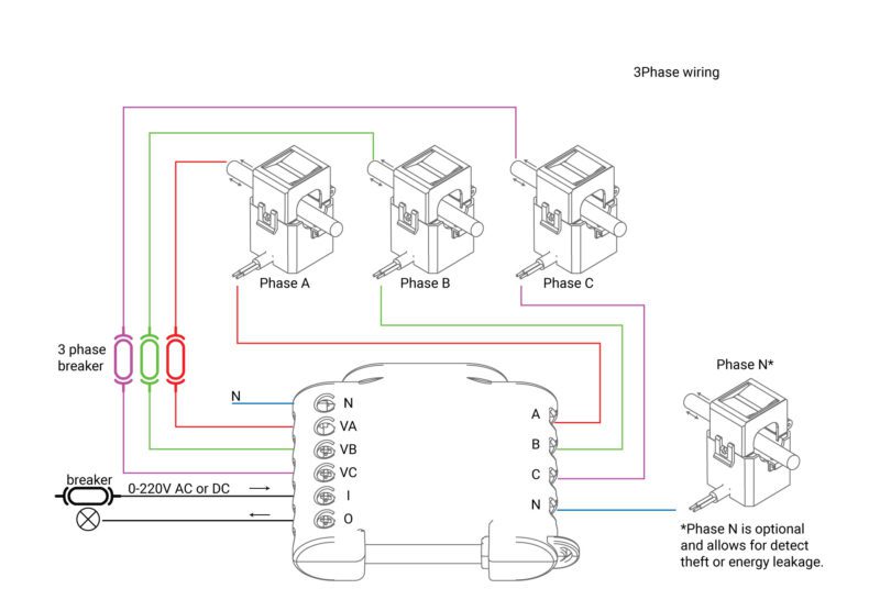
- Halkaistavat virtasilmukat 3x120A laitetaan mittavien syöttökaapelien ympärille ja yhdistetään 3EM lähettimeen.
- Vaiheiden L1, L2 ja L3 johdonsuojilta kaapeloidaan jännitemittaus laitteelle. Virransyöttö tapahtuu Phase A liittimen kautta.
- Laitteessa on sovelluksen kautta etäohjattava 10A rele, joka sopii myös kontaktoriohjaukseen.
- Katso video käyttöönotosta ja kysy demolaitteen tunnus sähköpostilla.
- Lataa ilmainen Apple IOS ja Google Android kännykkä sovellus linkkien kautta tai helposti QR-koodilla.
Technical Specifications
- Power Supply AC 110-230V, 50/60Hz
- Current Transformers 3x CT 120A
- Three independent measuring channels up to 120A each
- One contactor control (or load up to 10A)
- 365 days of internal memory in case Wi-Fi is not available
- Voltage measurement and configurable alarm reporting
Features
- Operational temperature -40°C ~ +40°C
- Device power consumption < 1W
- Intelligent On/Off Yes
- Local and remote control Yes
- Sunrise/Sunset Yes
- Weekly Schedule Yes
- UL Listed option No
Connectivity
- Radio Signal Power 1mW
- Radio Protocol WiFi 802.11 b/g/n
- Frequency 2400 – 2500 MHz
- Range Up to 50 m outdoors and up to 30 m indoors
Voit liittää Shelly Cloud palvelun myös muihin järjestelmiin, kuten MQTT, iBroker, Home Assistant, openHAB, Domoticz ja {REST}. Lue lisää Shelly Cloud 3EM ohjekirjasta.






















































Arviot
Tuotearvioita ei vielä ole.